Biến Tần Là Gì? Nguyên Lý Hoạt Động Và Lợi Ích Tuyệt Vời Trong Công Nghiệp
Biến tần (Inverter) là một trong những bước tiến quan trọng nhất trong công nghệ tự động hóa. Nó không chỉ đơn thuần là bộ điều khiển tốc độ mà còn là “người bảo vệ” giúp động cơ hoạt động bền bỉ và tiết kiệm điện năng. Hãy cùng Daycapcadivi giải mã chi tiết về thiết bị thông minh này.
Biến tần là gì?
Biến tần là thiết bị điện tử có chức năng biến đổi dòng điện xoay chiều ở tần số này thành dòng điện xoay chiều ở tần số khác có thể điều chỉnh được.
Bằng cách thay đổi tần số (Hz) đặt lên cuộn dây bên trong động cơ, biến tần có thể điều khiển tốc độ quay của động cơ một cách vô cấp (từ chậm đến nhanh và ngược lại) mà không cần sử dụng đến các hộp số cơ khí phức tạp.

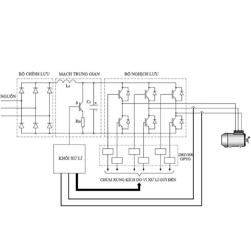
Cấu tạo của biến tần
Biến tần có cấu tạo gồm 3 khối chính, phối hợp với nhau để chuyển đổi và điều khiển dòng điện.

Bộ chỉnh lưu (Rectifier)
Chuyển đổi dòng điện xoay chiều (AC) thành dòng điện một chiều (DC). Đây là bước đầu tiên trong quá trình xử lý điện năng.
Bộ lọc (DC Bus)
Làm nhiệm vụ làm phẳng dòng điện DC, giảm nhiễu và ổn định điện áp trước khi chuyển sang bước tiếp theo.
Bộ nghịch lưu (Inverter)
Chuyển đổi dòng điện DC thành AC với tần số và điện áp thay đổi, từ đó điều khiển tốc độ động cơ theo yêu cầu.
Ngoài ra, biến tần còn có bộ vi xử lý (CPU) để điều khiển toàn bộ hoạt động, bảng điều khiển và các mạch bảo vệ.
Nguyên lý hoạt động “3 giai đoạn” của biến tần
Để điều khiển được tốc độ một cách chính xác, biến tần trải qua quy trình biến đổi điện năng nghiêm ngặt:
-
Giai đoạn chỉnh lưu: Nguồn điện xoay chiều (AC) 1 pha hoặc 3 pha từ lưới điện được chỉnh lưu thành nguồn một chiều (DC) phẳng nhờ bộ cầu Diode và tụ điện.
-
Giai đoạn lọc: Điện áp DC sau chỉnh lưu được lọc qua bộ tụ điện có điện dung lớn để đảm bảo sự ổn định tuyệt đối.
-
Giai đoạn nghịch lưu: Thông qua bộ chuyển mạch IGBT, điện áp DC được “băm” thành các xung áp xoay chiều có tần số thay đổi được theo ý muốn của người sử dụng.

Xem thêm:
- Dây cáp 1 lõi CADIVI là gì? Phân loại và bảng giá mới nhất 2026
- Dây cáp 2 lõi CADIVI là gì? Phân loại và bảng giá mới nhất 2026
- Dây cáp 3 lõi CADIVI là gì? Phân loại và bảng giá mới nhất 2026
- Dây cáp 4 lõi CADIVI là gì? Phân loại và bảng giá mới nhất 2026
- Dây cáp 3 pha 4 lõi CADIVI là gì? Phân loại và bảng giá mới nhất 2026
Phân loại biến tần phổ biến
Biến tần được phân loại theo nhiều tiêu chí khác nhau.

Phân loại theo nguồn điện
- Biến tần 1 pha dùng cho hệ thống điện gia đình
- Biến tần 3 pha dùng trong công nghiệp
Phân loại theo ứng dụng
- Biến tần tải nhẹ dùng cho quạt, bơm
- Biến tần tải nặng dùng cho máy nghiền, băng tải
- Biến tần chuyên dụng cho thang máy, HVAC
Phân loại theo phương pháp điều khiển
- Biến tần V/F (Voltage/Frequency)
- Biến tần vector
- Biến tần điều khiển trực tiếp mô-men
Việc lựa chọn đúng loại biến tần giúp tối ưu hiệu quả và độ bền của hệ thống.
So sánh biến tần và khởi động trực tiếp
| Tiêu chí | Biến tần | Khởi động trực tiếp |
|---|---|---|
| Điều khiển tốc độ | Có | Không |
| Tiết kiệm điện | Cao | Thấp |
| Khởi động mềm | Có | Không |
| Bảo vệ động cơ | Tốt | Hạn chế |
| Chi phí đầu tư | Cao | Thấp |
Biến tần có chi phí cao hơn nhưng mang lại hiệu quả lâu dài và tiết kiệm điện đáng kể.
Tại sao mọi nhà máy hiện đại đều phải dùng biến tần?
Sử dụng biến tần mang lại 3 giá trị kinh tế và kỹ thuật cốt lõi:
-
Tiết kiệm điện năng vượt trội: Đối với các hệ thống máy bơm, quạt gió, việc giảm tốc độ motor khi không cần tải tối đa có thể giúp doanh nghiệp tiết kiệm từ 20% – 50% điện năng tiêu thụ.
-
Khởi động mềm và bảo vệ cơ khí: Biến tần giúp động cơ khởi động từ từ, tránh hiện tượng “sụt áp” lưới điện và giảm va đập cơ khí lên bánh răng, ổ bi, giúp thiết bị bền bỉ hơn.
-
Tự động hóa thông minh: Dễ dàng kết nối với các cảm biến (áp suất, lưu lượng) để tự động điều chỉnh tốc độ máy móc theo nhu cầu thực tế.
Ứng dụng của biến tần trong thực tế
Biến tần được ứng dụng rộng rãi trong nhiều lĩnh vực.
Trong công nghiệp, biến tần dùng để điều khiển động cơ trong dây chuyền sản xuất, băng tải, máy nén khí.
Trong hệ thống HVAC, biến tần giúp điều chỉnh tốc độ quạt và máy lạnh, tiết kiệm điện năng.
Trong cấp thoát nước, biến tần điều khiển máy bơm theo nhu cầu, giúp giảm tiêu thụ điện.
Trong dân dụng, biến tần được dùng cho thang máy, hệ thống năng lượng mặt trời và các thiết bị tiết kiệm điện.

Những lưu ý kỹ thuật khi lắp đặt biến tần
-
Vấn đề nhiễu và sóng hài: Biến tần sinh ra sóng hài cao tần có thể làm nóng dây dẫn. Do đó, bạn nên sử dụng dây cáp điện CADIVI có lớp cách điện PVC/XLPE tiêu chuẩn để chịu được các xung điện áp cao và hạn chế nhiễu tín hiệu.
-
Khoảng cách dây dẫn: Nếu khoảng cách từ biến tần đến motor quá xa (trên 30m), hiện tượng điện áp phản xạ có thể làm hỏng cách điện motor. Trong trường hợp này, cần lắp thêm bộ lọc đầu ra hoặc chọn dây cáp có tiết diện lớn hơn.
-
Tản nhiệt: Biến tần sinh nhiệt rất lớn trong quá trình vận hành, cần lắp đặt trong tủ điện có quạt thông gió và lọc bụi thường xuyên.
Cách chọn biến tần phù hợp
Để chọn biến tần phù hợp, cần xem xét các yếu tố sau.
Công suất động cơ
Chọn biến tần có công suất tương đương hoặc lớn hơn động cơ.
Điện áp sử dụng
Phù hợp với nguồn điện 1 pha hoặc 3 pha.
Loại tải
Tải nhẹ hay tải nặng sẽ ảnh hưởng đến việc lựa chọn loại biến tần.
Tính năng
Cần xem xét các tính năng như bảo vệ quá tải, điều khiển PID, giao tiếp truyền thông.
Thương hiệu
Nên chọn các hãng uy tín như Mitsubishi, Schneider, Delta, LS để đảm bảo chất lượng.
Báo giá biến tần mới nhất 2026
Giá biến tần phụ thuộc vào công suất, thương hiệu và tính năng.
| Loại biến tần | Công suất | Giá tham khảo |
|---|---|---|
| Biến tần mini | 0.4 – 2.2 kW | 1.500.000 – 5.000.000 VNĐ |
| Biến tần trung bình | 3 – 15 kW | 5.000.000 – 20.000.000 VNĐ |
| Biến tần công nghiệp | 18 – 100 kW | 20.000.000 – 100.000.000 VNĐ |
| Biến tần cao cấp | >100 kW | 100.000.000+ VNĐ |
Giá có thể thay đổi tùy theo thị trường và thương hiệu.
Những lỗi thường gặp khi sử dụng biến tần
Chọn sai công suất
Lắp đặt không đúng kỹ thuật
Không cài đặt thông số phù hợp
Không bảo trì định kỳ
Sử dụng môi trường không phù hợp
Xem thêm:
- MCB là gì? Cấu tạo, phân loại, ứng dụng và báo giá mới nhất
- MCCB là gì? Cấu tạo, phân loại, ứng dụng và báo giá mới nhất
- RCBO là gì? Cấu tạo, phân loại, ứng dụng và báo giá mới nhất
FAQ – Câu hỏi thường gặp
Biến tần có tiết kiệm điện không?
Có. Biến tần giúp giảm điện năng tiêu thụ đáng kể, đặc biệt với tải biến thiên.
Có nên dùng biến tần cho gia đình không?
Có, đặc biệt với máy bơm, máy lạnh hoặc hệ thống năng lượng mặt trời.
Biến tần có bền không?
Rất bền nếu sử dụng đúng cách và bảo trì định kỳ.
Biến tần có khó sử dụng không?
Ban đầu có thể khó, nhưng khi hiểu nguyên lý sẽ dễ vận hành.
Có nên mua biến tần giá rẻ không?
Không nên, vì có thể ảnh hưởng đến hiệu suất và độ an toàn.
Mua vật tư điện và tư vấn giải pháp tại TP.HCM
Hệ thống biến tần chỉ thực sự hiệu quả khi có sự đồng bộ từ bộ điều khiển đến đường dây truyền tải. DaycapCADIVI chuyên cung cấp:
-
Dây cáp điện CADIVI chính hãng, chuyên dụng cho hệ thống điều khiển động cơ.
-
Tư vấn lựa chọn tiết diện dây dẫn phù hợp với công suất biến tần để đảm bảo an toàn tuyệt đối.
-
Địa chỉ: 153 Đ. Kênh Tân Hóa, Hòa Thạnh, Tân Phú, Hồ Chí Minh
HOTLINE TƯ VẤN KỸ THUẬT & BÁO GIÁ: 093 191 1896
Kết luận
Biến tần là thiết bị quan trọng giúp tối ưu hiệu suất, tiết kiệm điện và kéo dài tuổi thọ động cơ. Trong bối cảnh chi phí điện ngày càng tăng, việc đầu tư biến tần là giải pháp thông minh và lâu dài.
Hiểu rõ cấu tạo, nguyên lý và cách lựa chọn sẽ giúp bạn tận dụng tối đa lợi ích của thiết bị này trong thực tế. Nếu bạn cần tư vấn chi tiết, DaycapCADIVI luôn sẵn sàng hỗ trợ.
Chúng tôi – DaycapCADIVI là nhà phân phối dây cáp điện CADIVI chính hãng, chuyên cung cấp số lượng lớn cáp CADIVI cho toàn bộ khu vực miền Nam, miền Tây và các vùng lân cận TPHCM. Nếu bạn quan tâm đến dây cáp điện nói chung hay các kiến thức ngành điện, kiến thức tổng hợp, hãy theo dõi chúng tôi và cập nhật các thông tin liên quan đến ngành điện mới nhất 24/7.

